일렉트릭기타 마이너 갤러리

[일반]

문과식)누구나 이해할 수 있는 이펙터 회로 톺아보기

ㅇㅇ
2026-02-24 08:14:01
조회 153
추천 10
원본 URL https://gall.dcinside.com/m/electricguitar/4197711

혐짤인건 아는데 바로 나가지 말아보셈. 진짜 간단하게 알려줄게.

본인도 문과임 틀리면 님이 무조건 맞음. 전기 공학 ㅈ도 몰라. 그리고 그것보다 더 쉽게 쓰려하니 논리적 비약과 인과관계 등의 오류들이 있을 수 있지만 그러려니하다 참고 그냥 댓글에 그 오류를 써주시면.. 감사하겠습니다.....
(경제학을 이해하려면 전문 수학/통계를 알아야하지만 그냥 직관적으로 환율이 올라서→수입 물가가 상승하고 이렇게 직관적으로 이해할 수도 있는 것처럼 이해를 해보자고)

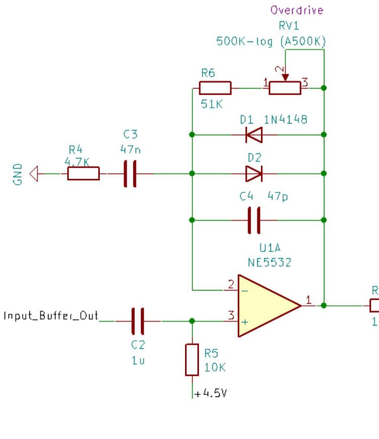
아무튼 위의 사진은 TS808의 회로도의 일부임. 

||은 캐퍼시터인데 톤에 관련된 거니까 일단 넘어가겠음
대충 값이 작을수록 고음역대만 통과해.
단위는 마이크로→나노→피코



오늘 이해할 친구들에 대해서 간략히 설명할게

OPAMP라는 친구야. 무슨 말레이시안 칩이니, JRC 어쩌구니 많이 들어봤을거야. 다 이 녀석에 해당하는 거지. 얘가 하는 일은 간단해. + 전압을 기준치로 - 녀석이 작아지면 + 전압만큼 끌어올려.
  
예를 들어 +에 6V고 -에 2V면 신호를 3배 증폭시키겠지.

클리핑 다이오드라는 친구임.

LED니, 1N414니 뭐니 하는 애들은 얘네임. 특징은 전압이 일정 값 이상 세지면 서서히 열려(저항이 작아짐)
두개 있는 이유는  

소리의 파동은 이렇게 생긴 거 다 알텐데 전기 신호도 저 기준선(예를 들어 9V 구동이면 중심점은 4.5근처 이를 바이어스라 함) 
중심으로 위는 +고 아래는 -여서임. 

다들 알겠지만 오버드라이브/디스토션의 원리는 이렇게 파형을 누르거나 깎는 것이기에 양쪽다 깎아 줄려면 +- 둘다 필요하겠지? (퓨리에 변환까지 가면 대가리 터지니까 여기까지만 하자)

가변저항(저항 위에 화살표 있는거)랑
저항임.
저항의 정도는 옴으로 표시되며 51K라면 51000옴이겠지.
그리고 가변 저항은 잘려서 미안한데 500k~ 로 적혀 있으니 0부터 500k라 생각하면 됨.
저항은 말 그래도 전류가 흐르는 길에 있는 방해물로 생각하면 돼.(그래서 결과적으로 전압을 줄여)
가변저항은 그냥 저항의 정도를 조절할 수 있는 저항이라 생각하면 됨. 흔히 게인 노브를 돌리는 것은 여기서 가변 저항을 바꿔서 높이는 것임. 저항이 높아지는데 어캐 게인이 세지냐고? 좀 있다 보도록 하자.


자 그래서 이 한바퀴 도는 회로가 어떤 역할을 하는지 알아보자.
전류는 기본적으로 저항이 적은 쪽으로 흐름.

그럼 캐퍼시터 || 를 빼고 생각하자. (그래도 궁금하다면 점마 들이 있어서 ts808이 하이 로우컷이 센거임)

전압이 충분히 세지 않는다면, 다이오드라는 수문장이 길을 막고 있음.

그래서 이렇게 돌거야. 그러면 얘가 받는 저항의 총합은 게인 노브를 안돌렸다고 생각하면 0+51K 이지.
여기서 게인, 또는 증폭률의 공식을 알려주자면,

Gain=1+저항의 합/그라운드 쪽 저항

ㅇㅇ 무슨말인지 이해가 안될거 알아.. 근데 분자만 보자. 아까 저항이 전압을 낮추고, 그럼 opamp에서 원 신호와 전압이 낮아진 신호를 비교해 더 증폭하겠지? 그러니까 저항이 클 수록 증폭률이 높아지는거야. 
일단 근의 공식을 외우듯 알아만 두자고 (사실 Rf/Rin 이긴 한데 쉽게  풀어쓰느라 ㅈㅅ)

이게 전압분?배법칙을 통한 게인 공식이어서 그런데 일단은 이 GND 쪽으로 빠져나가는 저 4.7K를 Rin에 대입해주자

그러면
게인=1+51K/4.7K=약 11.85
그래서 TS808의 (정확히는 미들 대역의) 기본 증폭률은 11.85배인거지
TS 계열을 쓰다보면 뭔가 프리로 쓰기는 어렵게 게인이 0에서도 특유의 크런치 감이 느껴질 거야. 이게 바로 그 원인이지. 얘는 게인을 0으로 돌려도 기본 증폭률이 11.85배니까!

자 그럼 여기서 게인 노브인 가변저항을 올려준다면?

1+51K+500k/4.7k= 약 118배나 된다는 건데
이게 그렇지 않다는 걸 이제 보여줄게.

자 이제 여기서 우리의 

다이오드들이 등장해
TS808에 쓰이는 다이오드는 1N4148 이라는 놈이야.
이 친구는 0.6V라는 임계값을 가지고 있어.
무슨 말이냐 하면, 0.6V부터 이 길막이 친구들이 비켜준다는 거야(=저항을 낮춘다) 또 반대로 게인 노브를 올리는 건 가변 저항의 저항 정도를 올리는 거니까 

아까 내가 전류는 저항이 작은 쪽으로 흐른다고 했지?
이번엔 가변저항 쪽이 저항이 세지고 다이오드 쪽이 저항이 적어졌으니 전류는 저항이 작은 쪽을 통해 이동할거야

이렇게 되면 OPAMP의 비교기에선 원신호와 저항을 받지 않은 신호(-)를 비교하게 되잖아? 그러면 OPAMP에선 증폭을 시키지 않을꺼야.

그런데 여기 변수가 하나 있어. 저 다이오드는 0.6에서 확열리는게 아니라는 거야. 

만약 다이오드가 바로 활짝 열린다면(사실 저렇게까진 안되겠지만) 이렇게 파형이 날카롭게 되겠지. 하지만 우리가 아는 오버드라이브는 파형이 살짝 눌려있는 거잖아?

수문을 열려면 문을 조금씩 열면서 물이 조금씯 들어오듯 1N4148 다이오드도 0.6V보다 앞선 0.4V부터 문이 조금씩 열리기 시작해. 

그러면 0.6V때보단은 아니지만 어느정도 게인이 증폭시키는 걸 줄여주고 파형을 눌러주겠지? 이게 우리가 멀티이펙터에서 흔히 본 KNEE 노브의 정체야. 파동의 양 무릎을 부드럽게 만들어주는 역할이지.




아무튼 설명은 여기까지고,
아주 간단하게 요약하면,

오피앰프는 +에 대비 -가 얼마나 작은지에 비례해 증폭시키는데. 게인 노브는 -를 훨씬 줄여버려서 오피앰프가 크게 증폭시킬 수 있게 도와주고 다이오드는 일정이상 줄어든다면 줄어들지 못하게 막는 거지.

이제 이게 

이런 파형의 누름을 만들기 위해서 전기적으로 구현한 것이라는 걸 이해할 수 있겠지?

아무튼 오늘 끔찍한 기초 전기공학 시간은 여기까지다.

다음은 퓨리에 변환을 알아보며 그토록 우리가 왜 게인스테이징을 하는지에 대해서도 알아보자.

- dc official App
513
진짜 개쉽게 설명 개잘했다 - dc App
2026.02.24 08:17:05
ㅇㅇ
ㅋㅋㅋㅋ ㅠㅠ 고맙다 - dc App
2026.02.24 08:19:14
취미가많은사람
2026.02.24 08:20:50
취미가많은사람
이, 이해햇서요.... - dc App
2026.02.24 08:20:59
ㅇㅇ
@취미가많은사람 유캔 두잇 힘을 내봐... - dc App
2026.02.24 08:21:21
여중생장
개추 개추요
2026.02.24 08:29:07
ㅇㅇ
2026.02.24 08:33:11
로켓퀸
아완전히이해햇서(안읽음)
2026.02.24 08:30:59
ㅇㅇ
부디 한번만 읽어다오 쉽게 썻어.: - dc App
2026.02.24 08:33:03
연습은안함
2026.02.24 08:31:15
ㅇㅇ
크아아악 더 쉽게 써줄게 - dc App
2026.02.24 08:32:49
시스터후드
2026.02.24 08:43:45
스윙s100
2026.02.24 08:48:17